AcademicApplied Energy Laboratory offers a wide range of industrial projects for students in the fields of Electrical Engineering and Computer Science. Designed to bridge theory and practice, the projects challenge students to apply their academic knowledge to real-world engineering problems, encouraging innovation, teamwork, and independent thinking:
2024
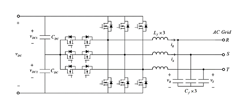
This project presented the outcomes of a preceding study, which focused on the generalization of split DC link voltages behavior in three-phase-level converters operating with arbitrary power factor.
This previous study served as the foundation for the development of equations governing the minimum capacitance necessary to ensure the proper operation of the inverter. Due to the prevalence of a third harmonic component in the DC link capacitor voltage, a lack of synchronization exists between the minimum value of the capacitor voltage and the maximum value of the grid voltage.
This phenomenon enables the capacitor voltage to be slightly reduced below the peak of the mains voltage by appropriately selecting the capacitor or a set DC voltage. However, it is important to note that as the power factor diminishes, particularly below the threshold of 0.5, the significance of the aforementioned assertion decreases. The simulations conducted for various power factors using the proposed equation for the minimum capacitance demonstrate remarkable accuracy and substantiate its correctness.
